随着新能源汽车向高压化,电池的大容量化发展,广泛应用了升压电感。在升压电感磁芯气隙设计过程中,经常会遇到大气隙分段设置的问题。气隙设置不合理会导致线圈交流损耗变大,引起局部过热,影响产品使用寿命和整机效率。
单个气隙开多大,气隙如何分段,气隙位置放在哪里效果最佳,这些问题一直困扰产品开发工程师。针对此问题,我们采用AnsysMaxwell仿真软件对实际应用的大功率电感进行了多方面的分析计算,并对结果进行了研究总结,结合仿真软件应注意哪些要点,以实现高效、准确的设计优化。现整理成报告分享给大家。
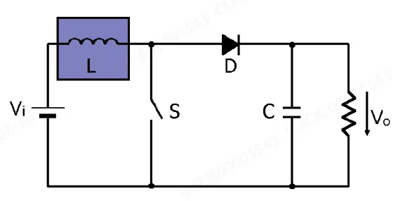
以下PFC的工作原理图。其中升压电感L就是本文的研究对象。

其工作原理主要是基于电磁感应和电感储能特性。开关导通时,电感储能,电流渐升;开关关断,电感产生反向高感应电动势,与电源电压叠加,实现升压,再经电容滤波储能,为负载提供稳定的高于电源的输出电压,从而完成升压过程。升压电感在纯电动车和混合动力车种都发挥着重要作用,是新能源汽车中不可或缺的组件。
本文已在中国第11届功率变换器磁性元器件联合学术年会中发表。旨在探讨电动汽车用升压电感的磁芯气隙设计及其仿真优化,分析气隙大小、分布对电感性能的影响,并提出合理的设计建议,以期为电动汽车电感器的设计工程师提供理论依据和实践指导。
GAP(磁芯气隙)与d(线圈到磁芯间距)关系
在电感器设计中,GAP(气隙)和d(线圈到磁芯间距)是两个重要的参数,它们之间的关系可以从磁场和电感量的计算角度来理解。

气隙(GAP)是磁芯中主要用于调节磁芯的磁导率和饱和特性。气隙的大小会影响磁芯的ACR和感量。气隙越大,ACR越大,感量越小。
线圈到磁芯的间距d 主要影响磁力线切割线圈面积的大小,被切割的面积越大,线圈通过的电流就越小,线圈的温升就越高,直至烧机、炸机。
气隙(GAP)主要是为了增加磁芯内部的磁阻,使电感量减小,但较大的气隙(GAP)会让磁力线对线圈的切割变得严重,涡流损耗增大;而较大的线圈到磁芯间距d则会减弱磁力线对线圈的切割影响,降低涡流损耗。
在实际设计中,需要在气隙和线圈到磁芯间距之间找到平衡。气隙(GAP)过大会导致线圈涡流损耗增加,影响产品的传递效率;线圈到磁芯间距d过大则会增大体积,增加成本,d过小则线圈会被磁力线切割到。
下面是相同的线圈到磁芯的间距d=1.8mm,研究GAP的大小仿真结果案例:


不同GAP值对线圈性能的影响
为了更深入地了解GAP对线圈性能的影响,通过进一步地分析发现,当GAP等于d的三分之一时较为理想,此时气隙位置的线圈内壁磁通密度漏磁处最低,可降至0.02T。
升压电感磁芯气隙如何分段
磁芯气隙分段通过将单一气隙分割为多个小气隙,旨在降低漏磁、减少涡流效应、提高热稳定性、精确控制电感量、降低损耗,并满足小型化和高性能需求。
气隙分段原则为一是单个GAP大小不宜超过线圈到磁芯间距d的1/2(一般取单个GAP≈d/3);二是气隙在线圈内部均匀分布,即气隙大小一致,间隔一致。
升压电感气隙如何分段?
本文分享200A 升压电感为例,分析不同的气隙方案对电感线圈损耗的影响:
可立克的实际应用案例:电流为200A,电感为120μH,纹波峰峰值为80A。在设计过程中,选用了NPV材料作为铁芯,并通过计算确定最终匝数为37匝。
在设计中,重点研究了气隙的布置对损耗的影响。具体而言,分别对一个气隙、两个气隙、三个气隙、四个气隙和五个气隙的情况进行了分析,主要关注磁芯损耗、线圈损耗以及ACR(交流电阻)。
通过多次仿真发现,随着气隙数量的增加,损耗逐渐降低。当气隙数量达到五个时,系统的损耗达到最低值。这一结果为升压电感的设计优化提供了重要依据。

随后,可立克团队开展了更为深入的分段研究。当分别将气隙设置为 6 个、8 个、10 个时,交流损耗并未出现显著降低。由此可以得出结论:就生产需求及成本控制而言,设置 5 个气隙即可满足要求。

值得一提的是,对于变压器和电感设计而言,ACR是一个非常重要的参数,ACR 是指电感器在交流电路中表现出的电阻特性。理论上电感的损耗不仅直流电阻DCR带来的直流损耗,重点还有ACR交流阻抗的损耗,包含导致磁芯产生涡流损耗、因趋肤效应和邻近效应等产生的损耗,这些共同构成了交流电抗ACR的损耗。
如前文所述,5个气隙是较为理想的配置,但5个气隙在哪个位置,需要进一步地研究。
第一个图是把磁芯做成U形的,第二个图在U型磁芯的基础上加了5毫米的转折;第三、第四、第五个磁芯分别在增加了10毫米、15毫米、20毫米的转折。

经反复探究,发现U型转折尺寸为24毫米时损耗达到最优状态。基于此,对相关数据进行总结,梳理出气隙分段的段数、最优气隙大小与 ACR 值之间的关系。


气隙位置对于线圈损耗影响很大
气隙位置设置合理分布均匀,不合理的气隙位置,或者分布不均匀都将导致线圈损耗变大 。以下是气隙大小和数量一样,但位置各有不同所对应的仿真结果 。

研究结果表明,向内伸进 24毫米时,且摆放位置均匀,见下图,效果最佳。同时,摆放方式对结果影响显著,如图所示,气隙位置等于24毫米时,也就是GAP等于0.5mm*5个,ACR最小。

理想的气隙位置是以各气隙中心为分段线,每一段的磁阻与线圈安匝数成比例关系,而磁环电感最容易满足这种理想的比例关系。
均匀段相关计算
等效磁路长度计算:均匀段等效磁路长度Le = 10.625 + 0.5 * 33.5 = 27.375mm ,其中33.5为带电流叠加后的磁芯磁导率。
匝数及对应比值:对应线圈包围磁芯的匝数是 5 匝,等效磁路长度与匝数的比值为27.375/5 = 5.475 。
串联段相关计算
等效磁路长度计算:串联段等效磁路长度Le = 90 + 0.5 * 33.5 = 106.75mm ,磁导率同样为 33.5。因为此段磁路漏磁较大,磁阻会变小,Le按106.75 * 0.9系数计算约为 96 。
匝数及对应比值:对应线圈包围磁芯的匝数是8.5 * 2 = 17匝,等效磁路长度与匝数的比值为96/17 = 5.647 。
均匀段与串联段基本满足等比关系,这对于确定最佳气隙位置具有重要参考意义。

在对线圈进行灌胶并加装外壳之后,通过仿真分析,我们观察到线圈的损耗有所下降,然而,外壳本身产生了3.5瓦的额外损耗。
也就是说产品带铝壳(灌封用)后,会产生涡流屏蔽漏磁场,导致漏磁磁阻增大,电感会下降,同时铝壳会产生涡流损耗,由于漏磁一般含量较少,所以总体影响不大。
合理的气息设计需满足以下条件:
1、单个气隙(GAP)应小于线圈到磁芯的距离(d)的一半,一般取GAP约为d的三分之一。
2、多段气隙应在线圈内部均匀布置,分段越多,线圈损耗越小。(当GAP小于d的一半时,继续多分段减小气隙对于改善线圈损耗效果不明显)
3、确定理想的气隙位置:以各气隙中心为分段线,每一段的磁阻与线圈安匝数成等比例关系。
4、电感带铝壳(灌封)时电感会下降,同时铝壳会产生涡流损耗,但总体影响不大。
以上结论只针对金属粉心(磁导率120以下的磁芯)类电感,其他电感可做参考。
通过仿真研究,我们对电动汽车用升压电感的磁芯气隙设计有了更深入的理解。合理的气隙设计不仅能优化电感性能,降低损耗,还能提高电动汽车的整体能效。未来的研究可以进一步探索不同材料和结构对电感性能的影响,以及如何结合实际应用进行更精细化的设计。
